欢迎访问四川省宜宾市职业技术学校,今天是
目录
返回
导航目录
网站首页
学校概况
学校简介
学校荣誉
组织结构
校园环境
学校视频
联系我们
专题专栏
教学工作诊改
培训鉴定
五育并举主题讲堂
技能,让生活更美好
工业机器人应用与维护示范专业建设验收专栏
专业设置
人文教育系
学前教育系
现代服务系
文化旅游系
信息工程系
汽车工程系
智能制造系
烹饪系
教学科研
教学动态
教研教改
技能竞赛
教师风采
教学成果奖申报
学生工作
德育园地
共青团之窗
学生天地
党建之窗
党建动态
学习贯彻党的二十大精神
党风廉政
校务公开
质量年度报告
投诉建议
收费公示
其他公示
职业院校管理水平提升行动计划
招生就业
招生简章
就业动态
校企合作
优秀毕业生
人才培养
职普融通
职教高考
出国留学
艺体特长
五年制大专
技师学院
中职教育
其他公示
首页
>
校务公开
>
其他公示
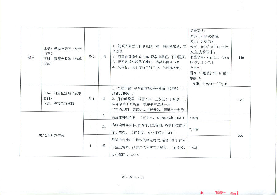
四川省宜宾市职业技术学校2017级学生工装邀标公告(机电)
来源:宜宾市职业技术学校
发布时间:2017-11-06
访问量:
上一篇:
四川省宜宾市职业技术学校2017级学生工装邀标公告(汽修)
下一篇:
四川省宜宾市职业技术学校2017级学生工装邀标公告(经贸)
校务公开
质量年度报告
投诉建议
收费公示
其他公示
职业院校管理水平提升行动计划
招生报名热线
0831-2381084